服務熱線
0769-28680919
153-2293-3971

產品特點:
·提供0-90°等不同照射角度
·高密度LED陣列,提供高亮度和高指向性的照明
·突出物體的三維信息,有效解決對角照射陰影問題
·表面采用特殊散熱設計,延長光源使用壽命
應用領域:
·PCB基板檢測,塑膠容器檢測
·電子元件檢測,集成電路字符檢測
·顯微鏡照明,通用外觀檢測
·Ic芯片外觀及字符檢測
·各種外觀缺陷檢測
·二維碼和字符讀取識別
性能參數:


產品系列選型表:


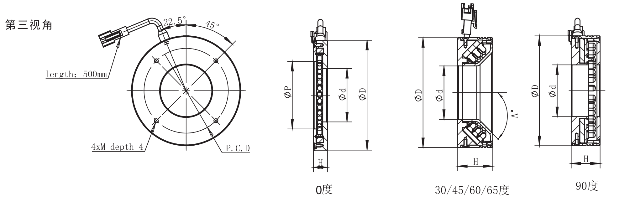
尺寸示意圖:

環形光源應用實例:
pin腳間隙及歪斜檢測利用零度環形光源,把pin腳上端面照亮,成像時針腳端面成高亮特征,而其它地方則成暗底,對于pin腳的
間距、歪斜等參數檢測非常有利。

照射原理:

官方公眾號
官方抖音號Copyright ? 2022 東莞康耐德智能控制有限公司版權所有.機器視覺系統 粵ICP備2022020204號-1 聯系我們 | 網站地圖